Посоветуйте электрика в Волгограде

Тема в разделе "Ремонт и строительство", создана пользователем Наталья Гурова, 21.08.16.

  1. Grinya

    Grinya Активный участник

    7.100
    1.402
    Это я понимаю. Своё ЗУ завожу на ГЗШ, туда же всё "железо" дома, и всё жёлто-зелёное. Перемычка на N отсутствует.

    Не буду я щит учёта отдельно ставить. Всё запихаю в один ЩРВ-24, и Меркурий однофазный туда же. После ВА поставлю одно УЗО на 30 мА. Смысл мне огород из УЗО делать на три комнаты + кухня и СУ. Может СУ запитаю через диф на 10 мА (такие бывают кстати?), и то не знаю, надо ли. Машинка железная, она на PE, у бойлера своё УЗО штатное, и он на PE... Для Фена и щипцов, но я ими не пользуюсь? :d:d:d
     
  2. maxxximus

    maxxximus Активный участник

    1.068
    9
    Grinya, я вас правильно понял, вы хотите ваши АВ вынести из помещений на улицу?
    Спорное решение. Зимой в труселях с фонариком на улице в щитке ковыряться.
    Тем не менее, Дифзащита желательна двухуровневая. Т.е. после прибора учета селективное узо а дальше обычное. Если вы модернизируете свое электрохозяйство и заложили 3-х жильные провода и на розетки и на свет то узо на свет однозначно стоит поставить. про узо на розетки даже речи не веду. на бойлер поставить диф В16 с током 10мА, но позиция заказная и дорогая поэтому С16. Рекомендую отдельный диф, уже столкнулся парураз с неработающим встроенным узо.
    ну и отдельное узо на "мокрых" лучше 25А10мА тогда под его защиту поставите свет С10 и розетки С16
    Еще лучше если напишите список всех физических линий с предпологаемыми потребителями и почту. накидаю вам щит с рекомендациями.
    А уж прислушиваться к ним или нет дело ваше.
     
  3. Grinya

    Grinya Активный участник

    7.100
    1.402
    maxxximus, тема просто длинная, я писал в начале. Вот тут в принципе описана вся ситуация.

    Нет. Наоборот на улицу не хочу.

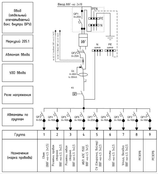
    Вот мой будущий щит, это TN-C-S ещё, но уже практически сломался на ТТ. Мне кажется разумнее.
     

    Вложения:

  4. lemmus

    lemmus Активный участник

    5.575
    2
    а может потому что и Легранд и ЛеруаМарлен французы и в засосе они по всему миру (400 магазов в 12 странах)?

    Вот где приятные цены на "кариву" были так это в Практик24 - там каривский диммер стоил порядка пары сотен, тогда как оригинал стоил под штуку (щас еще дороже) :)
     
  5. Grinya

    Grinya Активный участник

    7.100
    1.402
    Вот что раскопал.

    Пожалуй соглашусь. В ВЛ никакого PEN нет в помине, ибо он не соответствует определению самого PEN.
    ВЛ ни разу не кабель, и понятие стационарность тоже под вопросом.
    Слишком высока вероятность обрыва именно нулевого проводника (кран, дерево, ветер).
    Так что всем спасибо, я решил окончательно, однозначно ТТ. :)
     
  6. Filler

    Filler Активный участник

    5.681
    73
    Grinya, долго вы к этому шли. Хорошо, что всё-таки пришли :)
     
  7. maxxximus

    maxxximus Активный участник

    1.068
    9
    Но уж коли такая пьянка, то и АВ поставьте с характеристикой В вместо С.
     
  8. Grinya

    Grinya Активный участник

    7.100
    1.402
    Filler, инфы море в инете, причём всё с профильных форумов, где пишут "профи".
    Где я понимаю, я сразу вижу, что чел ересь несёт, а когда плаваю в вопросе, такое и получается.
    Один одно пишет, вроде убедительно, двумя постами ниже, другой обратное, и вроде тоже убедительно.

    Вооот, ещё одна тема для глубокого изучения... :d
    А его не будет выбивать раньше группового автомата?
    Мне кажется логичнее АВ характеристики С, а вот на бытовые розетки как раз B, не?

    ---------- Сообщение добавлено 22.09.2016 12:26 ----------

    maxxximus, Вы о том, что токи при попадании фазы на корпус в ТТ существенно меньше, чем в TN-C-S?
     
  9. Filler

    Filler Активный участник

    5.681
    73
    Ага, и про УЗО тоже. Они там тоже разные (А, АВ)
    У него одна группа планируется, смысла в селективном нет.
     
  10. Grinya

    Grinya Активный участник

    7.100
    1.402
    До отпуска осталось полтора дня... :d
     
  11. Filler

    Filler Активный участник

    5.681
    73
    Grinya, УЗО есть смысл ставить типа А - на переменный и пульсирующий ток, т.к. почти вся техника с импульсными БП. Я помню на заказ покупал, в наличии в городе не было.
     
  12. Grinya

    Grinya Активный участник

    7.100
    1.402
    Вот ещё большой вопрос где брать, чтобы левак не поставить. Склоняюсь к Легранду.
     
  13. maxxximus

    maxxximus Активный участник

    1.068
    9
    Grinya, не склоняйся к нему, не стоит. Для начала определись с ценовой категорией. Совсем дешманский TDM, EKF, DeCraft и прочая писюлятина думаю не сильно интересна. Бюджетный IEK, ну и по нарастающей Legrand, Hager, ABB. Лично мой выбор китайский иэк, много железок по приемлемым ценам. С леграном борода с ассортиментом, а хагер вообще кроме как в Леруа купить негде хотя железки очень даже приятные. Ну и мастодонт АББ, имхо лучший из того что есть. Но дорого. Еще же про зеленых забыл, шнайдер который. С этими у меня лично не сложилось, хорошая серия дорогая а то что по дешевле лучше сразу в топку.
    Комплектуху беру в ЭТМ, с максимальной скидкой цены получаются вполне приятные. Так что если нужно могу помочь с заказом.
    С буковками на АВшках вам явно стоит разобраться, буковки указывают на токовую характеристику. А именно как быстро и с какой перегрузкой отключится АВ. Те что с В более быстрые, с С помедленне. Но по большому счету можно и не загоняться.
    С УЗОшками вопрос более интересен, те что А дороже те что с АС дешевле и распространенней. А имеет смысл поставить на розетки, на свет даже не уверен. А уж электрокотел или бойлер на АС.
    При заземлении ТТ двойная дифзащита обязательна. Ну и самое главное, все АВ защищают в первую очередь провода. Поэтому на 1.5 10А, на 2.5 16А меньше можно больше не стоит. УЗО в ЩУ защищает кабель от ЩУ до дома, ну и все что после него, а чтоб в труселях не бегать при сработке одного из нижестоящих ставьте узо с буковкой S. Селективное иэк на 63А 100мА АС стоит всего 1300, немногим больше обычного. Только везут его неделю, а обычные отгружают со склада.
    Линии отходящие на другие щиты так же под защиту АВ.

    Filler, селективное узо отключается немного позже обычного, если поставить друг за другом и сделать утечку то первым бахнет обычное а если утечка продолжится то и селективное. Его еще называют противопожарным, 100мА для организма уже много.
     
  14. Neznayika

    Neznayika Участник

    117
    1
    У меня тут для всех вас, спецов, отвлекающий вопрос... Присмотренный мной коттедж-коробка был построен с применением незаконной эл.энергии - был протянут провод со столба и поставлен щиток с розетками. Хозяин перед продажей его отсоединил, типа "вроде его и не было, оформляй сам как новый". На мой предварительный звонок энергетикам там удивились, что дом по данному адресу был построен без эл.энергии и предложили, чтобы пред.хозяин всё же оформил эл-во на себя перед продажей, и якобы у меня, покупателя, могут быть проблемы с дальнейшим оформлением эл-ва на этот дом. Как и что делать??
     
  15. Arturvn

    Arturvn Активный участник

    11.333
    1.717
    Варианты с использованием на стройке бенз.генератора или времянки от соседей они не рассматривают?
    Всякое ведь бывает - см.видео с 02:55
    [ame]http://www.youtube.com/watch?v=_REsjjbINcI[/ame]
     
    Последнее редактирование: 23.11.16
  16. Neznayika

    Neznayika Участник

    117
    1
    Ну я, так-то, всё это предполагаю..)) Да и не должен же я заморачиваться с тем, что и как было до меня, так ведь? Однако энергетический мэн был оченно категоричен..
    Ещё засада в том, что в старом техпаспорте на дом присутствует "электропроводка - скрытая", которой, однако нет. Но сейчас ТП переделывают, посмотрю, что будет написано в новом..
     
  17. norbi

    norbi Активный участник

    5.480
    207
    у шайбы вон магазин бахнули на генераторе и ничего :)

    ---------- Сообщение добавлено 23.11.2016 14:54 ----------

    так это внутрянка наверн?
     
  18. Neznayika

    Neznayika Участник

    117
    1
    Ну да, это вовнутрях.. Типа присутствует, но по факту её нет.
     
  19. 3.14-2.71

    3.14-2.71 Активный участник

    21.456
    203
    Neznayika,

    а тебе надо было, палевные вопросы задавать?

    если нет ничего на столбе, не спалили во время стройки, ты покупаешь как незаконченное строительство, то проблем нет и быть не может.

    Действительно, строить могли от генератора или от соседа. Половина домов так строится.

    ---------- Сообщение добавлено 23.11.2016 16:09 ----------

    тоже не волнует, электропроводка может быть сделана и оставлена для подключения.

    ---------- Сообщение добавлено 23.11.2016 16:10 ----------

    ну ты еще в полицию позвони и спроси -- если я чела замочю, что будет? :hah:

    ---------- Сообщение добавлено 23.11.2016 16:11 ----------

    Neznayika,

    ты лутше озаботься какой фундамент у коробки, как стены сложены и почему продают.
     
  20. Neznayika

    Neznayika Участник

    117
    1
    На "своём" столбе, который на участке, есть щиток с розетками и проводом идущим к уличному столбу. У своего щитка провод на данный момент обрезан и концы заизолированы.
    Дом принят в эксплуатацию и получен ТП и свид-во о собств.
    Эл.проводки в доме нет, написано же...
    Я спрашивал выше, большой ли гемор для меня, как покупателя, может быть в данной ситуации. Где палево?
    Остальное не по теме.
     
  21. modcomp

    modcomp Активный участник

    13.261
    2.090
    раньше 5 и выше лет назад, электросети закрывали глаза на такие вольности и во многих местах со столба спускались "дежурные" розетки для постройка дома... у меня соседи поголовно так строились и я когда покупал участок на столбе на участке присутствовали остатки такого колхоза (кстати председатель тогда говорил, что никаких проблем не будет спустить дежурку со столба...), но потом они начали считать денежки и все сопли выявлять и удалять... мне уже пришлось просить фазу у соседа.
     
  22. Neznayika

    Neznayika Участник

    117
    1
    modcomp.
    Таки как быть?
    а) Оставить сии сопли, пригласить электриков для заключения договора и сказать, что так и было.
    б) Оставить сии сопли, пригласить электриков для заключения договора и сказать, что "я тут уже типа подготовился..."
    в) Уговорить нынешних хозяев оформить подключение эл-ва на себя.
    г) Удалить все сопли нах...
    д) Иное
    :insane:
     
  23. modcomp

    modcomp Активный участник

    13.261
    2.090
    пишешь заявку на присоединение к электрическим сетям, а дальше усе расскажут.
    Надо будет оплатить всего 500 руб. (до 15кВт) за подсоединение и ТУ. Выполнить акт раздела границ и его заверить. Закопать заземление. Смонтировать счетчик с автоматом. Завести в дом провода и землю. Купить СИП для подсоединения к ближайшему столбу, прокалывающие клеммники, натяжители и др. ерунду. Насчет соплей можно не заморачиваться, но подключено к ним не должно быть ничего, а то насчитают по сечению провода за весь период эксплуатации...
     
  24. Neznayika

    Neznayika Участник

    117
    1
    modcomp, спасибо.
    По поводу чего покупать и как оформлять вопросов не было, тут понятно. Главная тревога была, что делать с нынешним присутствующим СИПом и щитком на своём столбе - на данный момент СИП у щитка обрезан и заизолирован. Наверное лучше щиток снять от греха подальше. Кароч вариант а) рулит :)
     
  25. Dozer

    Dozer Активный участник

    15.238
    3.095
    Вопрос конечно такой мутно-расплывчатый, но всё же: сколько ПРИМЕРНО будет стоить поменять проводку с люминня на медь в стандартной панельной трёшке (работа+материалы)? Плюс добавить кабель для машинки стиральной и для посудомойки, и коробульку с предохранителями и счетчиком в квартире расположить.
     
  26. Скаут

    Скаут Активный участник

    1.159
    99
    от 15 до бесконечности ))
    метраж, материал стен, кол-во точек.. такие вещи проще на месте считать
     
  27. sema

    sema Активный участник

    19.029
    2.344
    Штробить сами будете? Без "грязных работ" за 7-10 возьмусь (работа).

    ---------- Сообщение добавлено 05.12.2016 20:38 ----------

    С тебя проект и согласование ;)
     
  28. norbi

    norbi Активный участник

    5.480
    207
    работа 20-25,вместе с чистовой. Материалы примерно столько же. Короче от 40 и выше нужно готовиться :)
     
  29. sema

    sema Активный участник

    19.029
    2.344
    Легранд или ашан?
     
  30. norbi

    norbi Активный участник

    5.480
    207
    sema, 3*1,5 сто метров 3000-4000, 3*2,5 4000-5000, счетчик 530, бокс 500, автоматы 1500 и хотябы 1 узо от 1000. Вангую провода по 100м каждого не хватит. Ах да, вводной 3*6 еще забыл :)

    хоть лента :d на розетки/выключатели еще рублей 5-7 уйдет :)